BIOLOGIA. TEJIDOS CONECTIVOS ESPECIALIZADOS. TEJIDO ADIPOSO
El tejido adiposo o tejido graso es un tipo especializado de tejido coenctivo de origen mesenquimal conformado por la asociación de células que acumulan lípido en su citoplasma. Las células del tejido adiposo de llaman adipocitos.
El tejido adiposo cumple funciones mecánicas: una de ellas es servir como amortiguador, protegiendo y manteniendo en su lugar los órganos internos así como a otras estructuras más externas del cuerpo, y también tiene funciones metabólicas.
Tipos de tejido adiposo
 Existen dos tipos de tejido adiposo, el tejido adiposo blanco o unilocular y el tejido adiposo marrón, grasa parda o multilocular
Tejido adiposo blanco
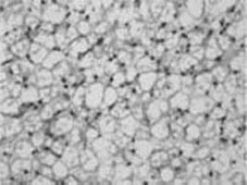
 En los adipocitos, el protoplasma y el núcleo quedan reducidos a una pequeña área cerca de la membrana, el resto de la célula es ocupado por una gran gota de grasa.
 El tejido adiposo, que carece de sustancia fundamental, se halla dividido por finas trabéculas de tejido fascicular en lóbulos.
 La grasa de las células se encuentra en estado semilíquido y está compuesta fundamentalmente por triglicéridos. Se acumula de preferencia en el tejido subcutáneo, la capa más profunda de la piel. Sus células, lipocitos, están especializadas en formar y almacenar grasa. Esta capa se denomina, panículo adiposo y es un aislante del frío y del calor. Actúa como una almohadilla y también como un almacén de reservas nutritivas.
 Este tipo de tejido cumple funciones de rellenado, especialmente en las áreas subcutáneas. También sirve de soporte estructural. Finalmente tiene siempre una función de reserva. La grasa varía, es de diferente consistencia, líquida o sólida.
 El crecimiento de este tejido se puede producir por proliferación celular lo que se conoce como crecimiento hiperplásico, en donde aumenta el número de adipocitos por división mitótica, o por acumulación de una mayor cantidad de lípidos en las células ya existentes lo que se conoce como crecimiento hipertrófico.
 Durante la niñez y la adolescencia el crecimiento es, generalmente, hiperplásico y en el individuo adulto hipertrófico.

tejido adiposo blanco
 
Tejido adiposo marrón 
 Más abundante en el feto y en los primeros meses de vida, tiene como función la producción de calor. Los lípidos se acumulan en el citoplasma de los adipocitos en forma de gotas de mediano tamaño, generalmente rodeadas de mitocondrias, y el núcleo tiene una localización menos excéntrica que en el tejido unilocular. Hay una gran cantidad de mitocondrias en el citoplasma, a las que se debe el color marrón.
 Las células se disponen alrededor de los vasos sanguíneos y las mitocondrias carecen del aparato celular para transformar la energía liberada por la oxidación de los ácidos grasos en ATP por lo que ésta se transfiere en forma de calor a la sangre.

tejido adiposo marron o pardo
 
 
 


